
CDL(T)为配用标准电机的非自吸立式多级离心泵,电机轴和泵轴用联轴器直接联接,把拉杆用螺母将外简,过流部件固定在支架和进出水体之间,泵进出水口在泵底部的同-直线上。


下图表示压力和温度的极限,压力和温度须在所示范围内。


CDL(T)为配用标准电机的非自吸立式多级离心泵,电机轴和泵轴用联轴器直接联接,把拉杆用螺母将外简,过流部件固定在支架和进出水体之间,泵进出水口在泵底部的同-直线上。泵可根据需要配置智能保护器,对泵的干转、缺相、过载等进行有效的保护。
稀薄、干净、非易燃易爆并不含固体颗粒或纤维的液体。
液体温度:常温型-15C~+70C;
热水型-15C~+105 C
环境温度:最高+40°C
海拔:最高1000m
当泵在环境温度大于40C或海拔大于1000m时运行,电机输出功率P2会降低,所以泵在上述情况下,电机功率需配大。

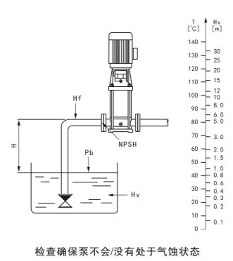
如果泵中的压力低于输送液体的汽化压力,可能发生气蚀,为避免气蚀,确保泵进口侧有一最小压力,最大吸程H[m]可按下式计算:
H=Pb x 10.2-NPSH-Hf- -Hv -Hs
Pb=大气压力[bar]
(大气压力可设定为1bar。)
在闭式系统中,Pb为系统压力[bar]
NPSH=净正吸头[m]
(可从NPSH曲线上泵可能的最大流量处读取)
Hf=入口的管路损失[m]
Hv =汽化压力[m]
Hs =安全余量=最小0.5m水头
如计算所得H为正值,泵可在最大吸程H情况下运行。
如计算所得H为负值,必须有一最小进口压力H的水头。

泵的高压力在很多应用中是至关重要的,特别是水处理,过滤和净化。为提供最佳的解决方案,海澄设计的CDL+SDH泵可承受很高的压力。
当需要高压力时
CDL+SDH高压型泵提供独特的很紧凑的高转速泵,其可提供极高的压力,对需要大流量的场合可采用多台串联。这种方案使您可采用标准泵作为高压泵。这类泵可输送不同的介质,从饮用水到腐蚀性的工业液体,而且可在大的温度范围下运行。
CDL+SDH高压型泵有何特别
通常多级泵可产生高压力,液体从泵的底部吸入,泵的最高压力点位于泵的上部,对压力最敏感的部件一机械密封也位于泵的上部。对标准泵而言,轴封会决定泵的承压极限。
吸入端上置方案
对CDL+SDH高压型泵在其内部采用吸入端上置方案。这样使泵的最高压力点位于泵下面坚固的基座处,远离易损的轴封,降低轴封处的压力还可带来减小筒体密封处的好处。
技术参数
最大压力: 48bar
最大液体温度: 105°C
最大环境温度: 40°C
网站客服咨询客服
热线电话:
0550-3179599
